ASTM D7078
ASTM D7078 is the standard test method used to determine the in-plane shear properties of polymer matrix composite materials using a V-notched rail shear fixture. This method improves upon older shear test techniques by providing a more uniform shear stress distribution and higher reliability in results—especially for carbon fiber and glass fiber reinforced laminates.
This article explains the scope of ASTM D7078, the required equipment and fixtures, the step-by-step testing procedure, and how this method compares to other shear testing standards.
What is ASTM D7078?
ASTM D7078 – Standard Test Method for Shear Properties of Composite Materials by the V-Notched Rail Shear Method was developed to overcome limitations in the older ASTM D5379 Iosipescu shear test. It uses larger specimens and a more robust fixture to ensure a pure shear state in the test region.
This test method is ideal for determining:
-
In-plane shear strength
-
Shear strain
-
Shear modulus
-
Complete stress-strain behavior in shear
Scope and Applications
ASTM D7078 is commonly used for:
-
Aerospace and defense composite material qualification
-
Automotive structural composite evaluation
-
Research and development of laminated thermoset and thermoplastic composites
It is applicable to:
-
Unidirectional or multidirectional laminate composites
-
Carbon fiber, glass fiber, aramid fiber, and hybrid fibers
-
Specimens with or without woven reinforcements
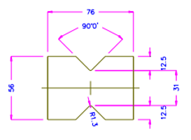
Specimen Design and Geometry
The specimen for ASTM D7078 is a rectangular panel with V-notches on either side. These notches define a shear region and allow stress to be concentrated uniformly across the test zone.
Typical dimensions:
-
Length: ~76 mm (3.0 in)
-
Width: ~20 mm (0.75 in)
-
Thickness: 3–10 mm, depending on material
Notch Details:
-
Two opposing 90° V-notches are machined on both edges
-
Notch tip radius: ~0.5 mm
-
Accurate machining is essential to ensure proper stress distribution
Compared to ASTM D5379, ASTM D7078 specimens are larger and thicker, providing more representative results for structural applications.
Testing Equipment Required
1. Universal Testing Machine (UTM)
A UTM is required to apply compressive force to the specimen via the V-notched rail fixture. The test is typically performed in compression mode, using constant crosshead displacement.
-
Force capacity: 10 kN to 250 kN depending on material strength
-
Compatible with both servo-hydraulic and electromechanical systems
2. V-Notched Rail Shear Fixture
This is a specialized clamping fixture that:
-
Holds the specimen along its top and bottom edges using gripping rails
-
Applies a pure shear force across the notched section
-
Maintains precise alignment of loading axis to avoid bending or torsion
Many modern fixtures are self-aligning and include spherical seats to improve repeatability.
3. Strain Measurement System
-
Biaxial strain gages placed at ±45° on the specimen
-
Or non-contact extensometry using video extensometers or Digital Image Correlation (DIC) systems
4. Data Acquisition Software
-
Collects and plots force vs. strain data
-
Calculates:
-
Shear modulus (G₁₂)
-
Ultimate shear strength
-
Complete shear stress-strain curve
-
ASTM D7078 Test Procedure
-
Specimen Preparation
Machine the notches with high precision. Clean and attach strain gages, if used. Check the specimen for defects or delamination. -
Fixture Setup
Clamp the specimen between the top and bottom rails of the V-notched shear fixture. Ensure that the notch tips are precisely centered in the shear zone. -
Testing
Apply compressive force at a controlled crosshead speed (typically 0.5–2 mm/min). Load the specimen until failure. -
Data Collection
Record force and strain throughout the test. Ensure the shear strain remains within the valid test range. -
Calculations
-
Shear Stress (τ) = Force / Shear area (area between notches)
-
Shear Strain (γ) = Strain data from gages or extensometers
-
Shear Modulus (G) = Slope of the initial linear portion of the stress-strain curve
-
Ultimate Shear Strength = Maximum shear stress before failure
-
-
Failure Mode Observation
Inspect the fracture surface to confirm proper shear failure occurred within the notched region.
Advantages of ASTM D7078
-
Provides a pure and uniform shear stress distribution
-
Reduces influence of bending and out-of-plane forces
-
Capable of handling thicker and stiffer laminates
-
Delivers reliable, repeatable results ideal for structural design
Related Testing Standards
ASTM D7078 is often compared to or used alongside:
-
ASTM D5379 – V-notched beam (Iosipescu) shear test, suitable for thinner specimens
-
ASTM D2344 – Short-beam shear test for quick quality control
-
ASTM D3518 – In-plane shear response using ±45° tensile test of laminate
-
ISO 14129 – Tensile shear test for ±45° laminates, similar in scope but with different methodology
ASTM D7078 is increasingly preferred for composite design validation due to its larger sample size, better representation of structural loads, and improved repeatability.
Conclusion
ASTM D7078 is a high-precision method for evaluating in-plane shear properties of composite materials using a V-notched rail fixture and a universal testing machine. Its ability to generate accurate, representative shear data makes it indispensable for engineers working with advanced composites in aerospace, automotive, and industrial applications.
If you're working with structural laminates, ASTM D7078 provides the data you need to optimize performance and ensure safety.
Looking for ASTM D7078 Test Equipment?
We offer complete solutions including universal testing machines, V-notched rail fixtures, strain measurement systems, and software integration. Contact us for consultation or a custom quote today.