Overview ASTM B406 is the standard test method used to determine the transverse rupture strength (TRS) of cemented carbides, such as tungsten carbide...
ASTM C364 is the definitive standard for determining the edgewise compressive strength of sandwich panels, which are widely used in aerospace, marine,...
ASTM C1161 defines the standard procedure for measuring the flexural strength (modulus of rupture) of advanced ceramic materials at room temperature. ...
Theory: ASTM C1341 covers a flexural test for specific types of ceramic composites. The sampe is bent to about 5% strain and the load is taken. There...
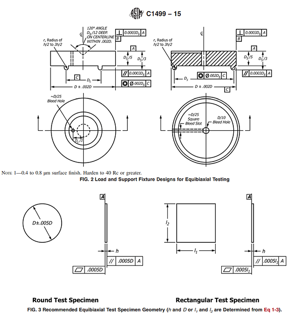
ASTM C1499 is a standard test method for the monotonic equibiaxial flexural strength of advanced ceramics at ambient temperature. Monotonic E...
ASTM D2344 – Short Beam Strength Testing of Composites ASTM D2344 is a widely used standard test method that determines the apparent interlamin...
Overview ASTM D3039 is one of the most widely used test methods in the composites industry to determine the tensile properties of polymer matrix comp...
Lorem Ipsum is simply dummy text of the printing and typesetting industry. Lorem Ipsum has been the industry's standard dummy text ever since...
ASTM D5379 is the standard test method used to determine the in-plane shear properties of fiber-reinforced composite materials using a specialized V-n...
ASTM D5766 is a standardized method used to determine the open-hole tensile strength (OHT) of polymer matrix composite laminates. These composites are...
ASTM D6484 is the standard test method used to determine the open-hole compressive strength of fiber-reinforced polymer matrix composite laminates. Th...
Theory: ASTM D6641 covers a test for polymer matrix materials using an ASTM specific compression fixture. The fixture is designed to compre...
ASTM D7078 is the standard test method used to determine the in-plane shear properties of polymer matrix composite materials using a V-notched rail sh...